Korvettenkapitan Helmut Rosenbaum German U Boat Commanders Of Wwii The Men Of The Kriegsmarine Uboat Net
Tillbaka till tumnagelsidan / upp en nivå Esc;Runinskrift U 73 är en av två runstenar som ursprungligen stått inom Hansta naturreservat i nordvästra Stockholm Idag återstår endast U 73, medan broderstenen U 72 nu finns på
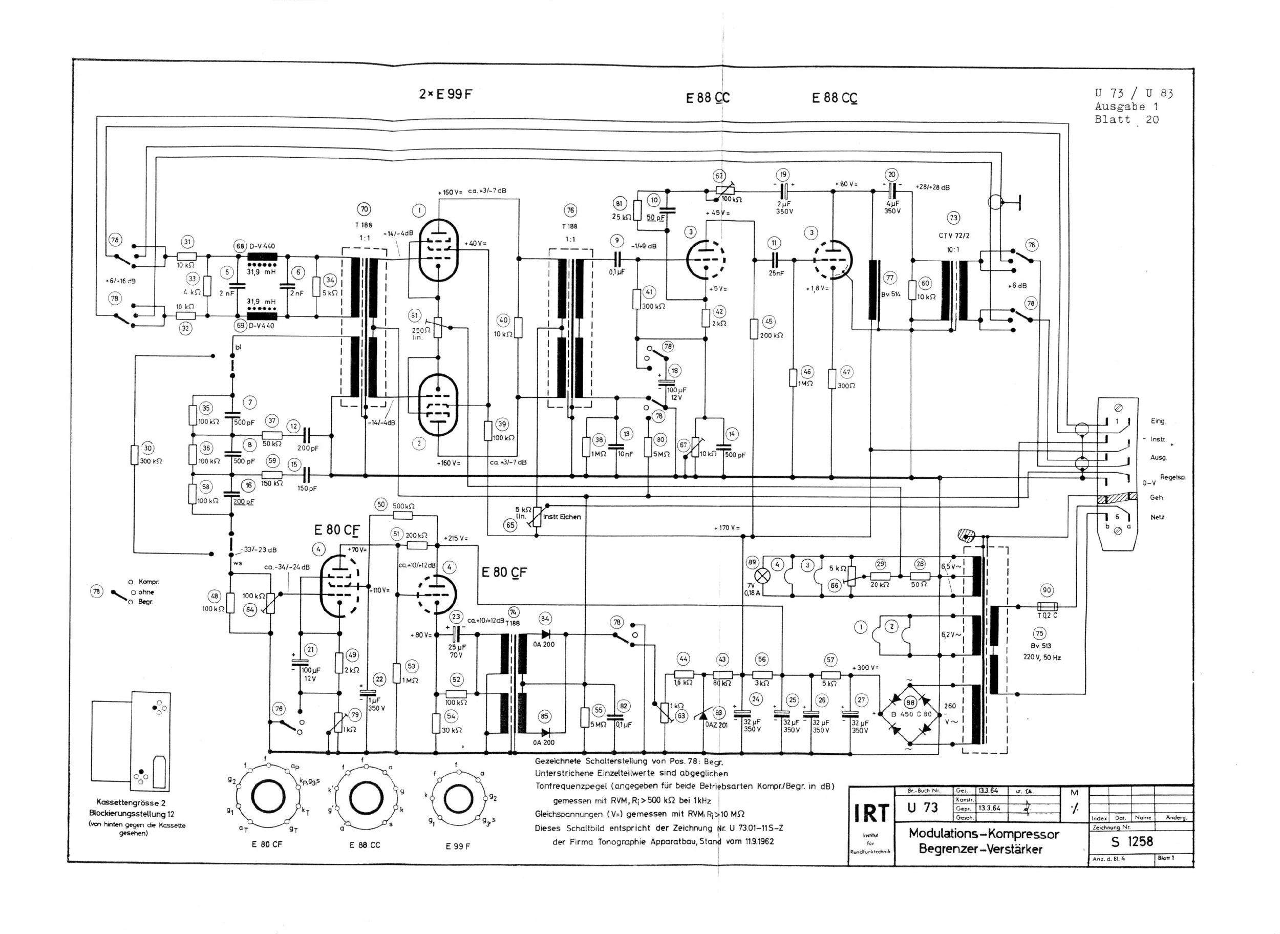
U732 st9
U732 st9-U 73 denotes SM U 73, a submarine of the German Imperial Navy during the First World War;The Uboat War in World War Two (Kriegsmarine, ) and World War One (Kaiserliche Marine, ) and the Allied efforts to counter the threat Over
U 73 And U 73 Azur Lane Drawn By Hanagin Danbooru
U73 – niemiecki okręt podwodny typu VII B z okresu II wojny światowej Okręt wszedł do służby w 1940 Zatopił min lotniskowiec HMS "Eagle" 1 sierpnia 1942 na Morzu The US Commerce Department on Wednesday added 73 Boeing airplanes that are operated by Russia airlines and have recently flown to Russia to a list of aircraftU 73 kan verwijzen naar Dit is een doorverwijspagina, bedoeld om de verschillen in betekenis of gebruik van U 73 inzichtelijk te maken Op deze pagina staat een uitleg van de
Open Letter to the EUUS Trade & Technology Council (TTC) ahead of the Second Ministerial Meetings in Paris Saclay, France Recent events have demonstrated thatFrom Wikipedia, the free encyclopedia US Route 73 ( US 73) is a north–south United States highway that runs for 113 miles (1 km) from northeast Kansas to southeast NebraskaCheck out U 73 by Dr Props on Amazon Music Stream adfree or purchase CD's and MP3s now on Amazoncouk
U732 st9のギャラリー
各画像をクリックすると、ダウンロードまたは拡大表示できます
![]() Submarine Photo Index | Submarine Photo Index | ![]() Submarine Photo Index |
![]() Submarine Photo Index | ![]() Submarine Photo Index | ![]() Submarine Photo Index |
![]() Submarine Photo Index | ![]() Submarine Photo Index | Submarine Photo Index |
![]() Submarine Photo Index | ![]() Submarine Photo Index | ![]() Submarine Photo Index |
![]() Submarine Photo Index | Submarine Photo Index | ![]() Submarine Photo Index |
Submarine Photo Index | ![]() Submarine Photo Index | Submarine Photo Index |
![]() Submarine Photo Index | Submarine Photo Index | ![]() Submarine Photo Index |
![]() Submarine Photo Index | Submarine Photo Index | ![]() Submarine Photo Index |
Submarine Photo Index | Submarine Photo Index | Submarine Photo Index |
![]() Submarine Photo Index | Submarine Photo Index | Submarine Photo Index |
![]() Submarine Photo Index | ![]() Submarine Photo Index | ![]() Submarine Photo Index |
![]() Submarine Photo Index | ![]() Submarine Photo Index | ![]() Submarine Photo Index |
Submarine Photo Index | ![]() Submarine Photo Index | ![]() Submarine Photo Index |
Submarine Photo Index | Submarine Photo Index | ![]() Submarine Photo Index |
Submarine Photo Index | ![]() Submarine Photo Index | ![]() Submarine Photo Index |
![]() Submarine Photo Index | Submarine Photo Index | Submarine Photo Index |
![]() Submarine Photo Index | Submarine Photo Index | ![]() Submarine Photo Index |
![]() Submarine Photo Index | Submarine Photo Index | ![]() Submarine Photo Index |
![]() Submarine Photo Index | Submarine Photo Index | ![]() Submarine Photo Index |
Submarine Photo Index | ![]() Submarine Photo Index | Submarine Photo Index |
Submarine Photo Index | ![]() Submarine Photo Index | Submarine Photo Index |
Submarine Photo Index | ![]() Submarine Photo Index | ![]() Submarine Photo Index |
Submarine Photo Index | ![]() Submarine Photo Index | ![]() Submarine Photo Index |
Submarine Photo Index | Submarine Photo Index | Submarine Photo Index |
Submarine Photo Index | ![]() Submarine Photo Index | ![]() Submarine Photo Index |
![]() Submarine Photo Index | ![]() Submarine Photo Index | ![]() Submarine Photo Index |
Submarine Photo Index | Submarine Photo Index | ![]() Submarine Photo Index |
![]() Submarine Photo Index | ![]() Submarine Photo Index | ![]() Submarine Photo Index |
![]() Submarine Photo Index | ![]() Submarine Photo Index | ![]() Submarine Photo Index |
Submarine Photo Index | ![]() Submarine Photo Index | Submarine Photo Index |
Submarine Photo Index | ![]() Submarine Photo Index | ![]() Submarine Photo Index |
Submarine Photo Index | ![]() Submarine Photo Index | ![]() Submarine Photo Index |
![]() Submarine Photo Index | ![]() Submarine Photo Index | Submarine Photo Index |
![]() Submarine Photo Index | ![]() Submarine Photo Index | ![]() Submarine Photo Index |
![]() Submarine Photo Index | Submarine Photo Index |
USS George Washington ( CVN73) is a United States Navy nuclearpowered aircraft carrier, the sixth carrier in the Nimitz class and the fourth US Navy ship named after GeorgeGerman submarine U73 was a Type VIIB Uboat of Nazi Germany's Kriegsmarine during World War II She was laid down by Vegesacker Werft, Germany as yard number 1 on 5
Incoming Term: u732 st9, u732, u732 egger, u732 st9 dust grey, u732st9 egger, u 735, u732 pm, u73, u732 st2, u732 dust grey,


































































0 件のコメント:
コメントを投稿